Pulverbeschichtungstechnik

Als langjähriger Lieferant von diversen mechanischen Bauteilen für die Hauptkomponenten der Ramseier Koatings Pulverbeschichtungsanlagen haben wir deren Geschäftstätigkeit 2015, einschliesslich sämtlicher technischer Dokumentationen übernommen.
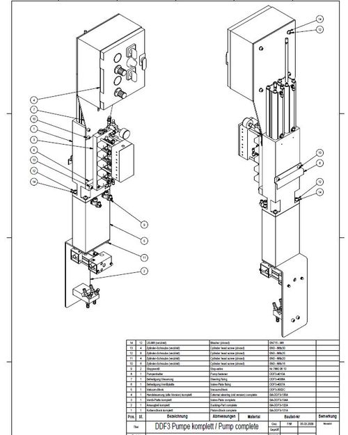
Seither konzentrieren wir uns in diesem Bereich auf die Aufrechterhaltung der Ersatzteilverfügbarkeit für die DDF2/DDF3 Pulverpumpen, PMC-Systeme und Colorflex A-B Systeme . Als Hauptansprechpartner für alle Kunden weltweit, bieten wir zusammen mit unseren Partnerfirmen in Deutschland, Italien, Frankreich und Spanien , kontinuierliche Unterstützung.
Auf Anfrage stellen wir auch noch sämtliche Komponenten neu her. Die Dichtstromtechnologie der DDF2/DDF3 Pumpen bleibt in Industrieanlagen aufgrund ihrer Effizienz und Zuverlässigkeit nach wie vor stark nachgefragt.
Wir sind der ideale Partner für:
Anwendungsbeispiele
Hier eine kleine Übersicht aus unseren Tätigkeiten im Bereich der Pulverbeschichtungstechnik

Ersatzteilvertrieb weltweit
Die meisten Standard Ersatzteile pflegen wir am Lager und vertreiben diese direkt an Endkunden oder unsere Partner.

Neuanfertigung Pulverfördersysteme DDF2 / DDf3
Wir konnten seit der Übernahme der RKT mit dem Bau neuer Pluverförderpumpen diverse Projekte von unseren Grosskunden unterstützen.

Revision von Komponenten
Wir können sämtliche mechanischen Komponenten der Pulvertechnik revidieren und testen.

Support
Da wir über sämtliche Dokumenation der RKT Anlagen verfügen, können wir auch kundenspezifische Anlagen stets betreuen und deren Betrieb mit unserem Support und der Verfügbarkeit von Ersatzteilen aufrecht erhalten.



